Services
Renewable Energy
MEP Engineering
Structural Engineering
3D modeling
Case studies
Calculators
Electrical Load Calculator
Electrical Calculations
About
Contact us
Sign In
Services
Renewable Energy
MEP Engineering
Structural Engineering
3D modeling
Case studies
Calculators
Electrical Load Calculator
Electrical Calculations
About
Contact us
Sign In
Sign In
Our customers
Case studies
See how our engineering solutions solved real challenges.
Real projects, real results.
General
Renewable Energy
MEP Engineering
Structural Engineering
3D modeling
Off Grid System
See more
Solar Carports
See more
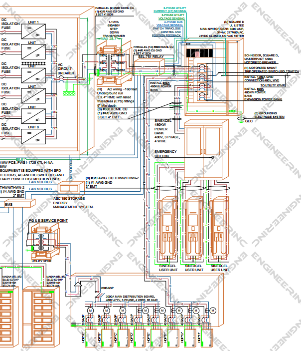
PV, BESS and Charging Station
See more
Roof and Carport Mounted PV
See more
Roof and Ground Mounted PV
See more
Roof Mounted PV and BESS
See more
Existing and New PV System
See more
3
4
5
6
7
Contact us
Calculator